


CQB65-50-150FS фторопластиковый сплав Магнитный насос
производитель : MORETEC
Номер части : CQB65-50-150FS
OEM совместимость :
категория :Насосы и клапаны / Химический насос
описывать
описывать
Использование
Этот продукт широко используется в: химическая промышленность, производство кислоты и щелочей, плавление неferrous metals, процесс очистки автомобильного производства, разделение редких земель, пестициды, топливо, медицина, бумажное производство, гальваническое покрытие, радио и другие отрасли.
Рабочая температура:-20 ℃ -100 ℃
Характеристики дизайна
Водонепроницаемый дизайн: shaft joint аннулирован, и магнитное соединение используется для косвенного привода, что полностью устраняет проблему сушки и никогда не загрязняет сайт.
Потому что часть над текущим насосом состоит из "фторопластического сплава. Он может непрерывно транспортировать любую концентрацию кислоты, щелочи, сильного окислителя и других коррозионных сред без вреда.
Принцип работы: приводное устройство принимает активный магнитный соединение, чтобы быть непосредственно установлен на валу двигателя, полость Насоса полностью закрыта, и магнитное откатное колесо на валу насоса косвенно приводится, чтобы вращаться через магнитное соединение, структура которого компактна., Безопасный и энергосберегающий.
Прочная и прочная структура корпуса насоса: хотя контактная жидкая часть является фторопластиком, корпус насоса главным образом из металлического материала, так что корпус насоса может выдержать вес и механическое воздействие части трубопровода, и является прочным и долговечным.
Этот продукт широко используется в: химическая промышленность, производство кислоты и щелочей, плавление неferrous metals, процесс очистки автомобильного производства, разделение редких земель, пестициды, топливо, медицина, бумажное производство, гальваническое покрытие, радио и другие отрасли.
Рабочая температура:-20 ℃ -100 ℃
Характеристики дизайна
Водонепроницаемый дизайн: shaft joint аннулирован, и магнитное соединение используется для косвенного привода, что полностью устраняет проблему сушки и никогда не загрязняет сайт.
Потому что часть над текущим насосом состоит из "фторопластического сплава. Он может непрерывно транспортировать любую концентрацию кислоты, щелочи, сильного окислителя и других коррозионных сред без вреда.
Принцип работы: приводное устройство принимает активный магнитный соединение, чтобы быть непосредственно установлен на валу двигателя, полость Насоса полностью закрыта, и магнитное откатное колесо на валу насоса косвенно приводится, чтобы вращаться через магнитное соединение, структура которого компактна., Безопасный и энергосберегающий.
Прочная и прочная структура корпуса насоса: хотя контактная жидкая часть является фторопластиком, корпус насоса главным образом из металлического материала, так что корпус насоса может выдержать вес и механическое воздействие части трубопровода, и является прочным и долговечным.
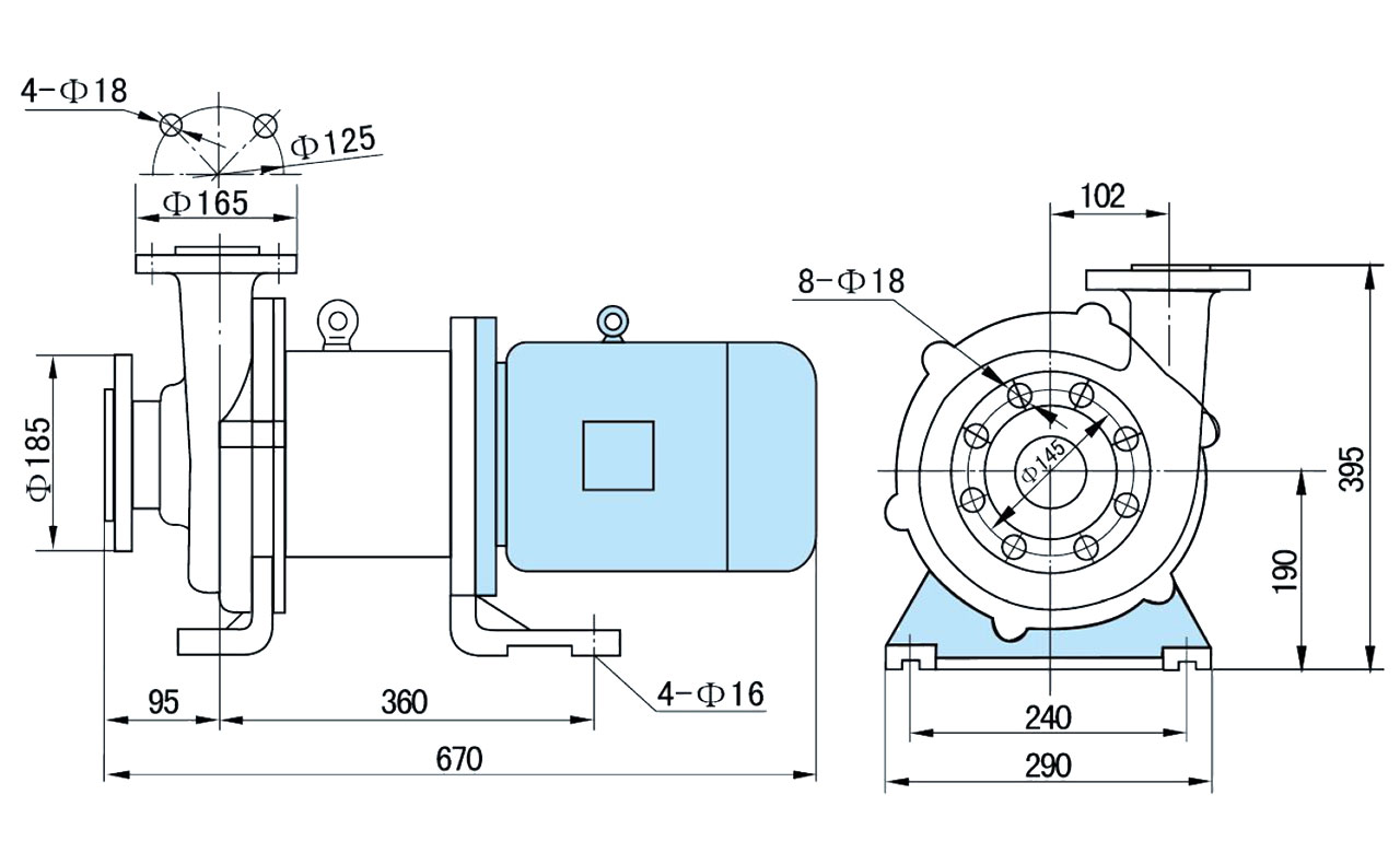
поток | 20 m³/h |
Поднимать | 25 m |
эффективный | 48 % |
Marge de cavitation | 4 m |
Импортировать | 65 mm |
Экспорт | 50 mm |
Мощность двигателя | 4 kW |
Общее качество | 100 g |

Список деталей
Список деталей
Нет информации об аксессуарах
Смотреть и смотреть
Рейтинги и отзывы
Fast delivery, high quality motor, strong power, thickened body, smooth operation, beautiful design, careful and complete packaging, and fast logistics. Very satisfied.
Amora, Mar 7 2022
|
Качество очень хорошее и полностью превосходит ожидания. Очень приятное сотрудничество.
Tobias, Dec 16 2021
|