

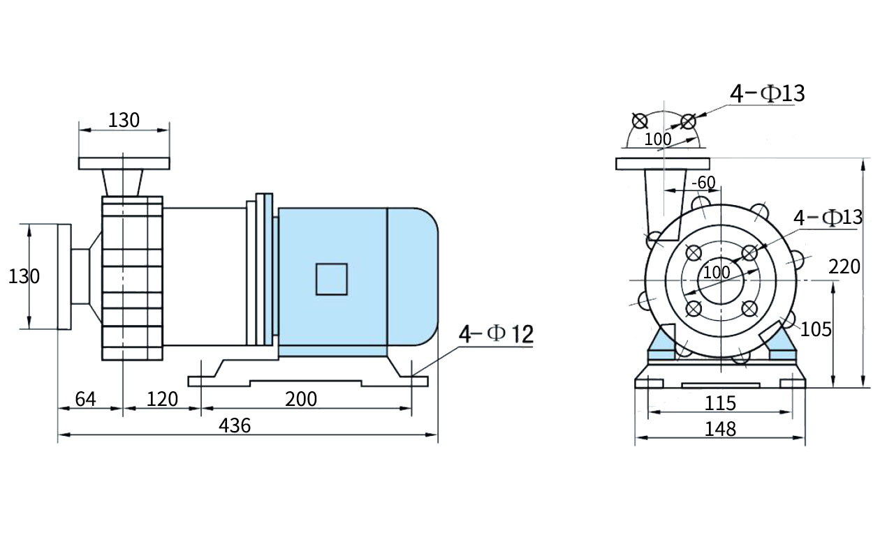
CQB40-40-100F фторопластиковый сплав Магнитный насос
производитель : MORETEC
Номер части : CQB40-40-100F
OEM совместимость :
категория :Насосы и клапаны / Химический насос
описывать
описывать
Использование
Этот продукт широко используется в: химическая промышленность, производство кислоты и щелочей, плавление неferrous metals, процесс очистки автомобильного производства, разделение редких земель, пестициды, топливо, медицина, бумажное производство, гальваническое покрытие, радио и другие отрасли.
Рабочая температура:-20 ℃ -100 ℃
Характеристики дизайна
Водонепроницаемый дизайн: shaft joint аннулирован, и магнитное соединение используется для косвенного привода, что полностью устраняет проблему сушки и никогда не загрязняет сайт.
Потому что часть над текущим насосом состоит из "фторопластического сплава. Он может непрерывно транспортировать любую концентрацию кислоты, щелочи, сильного окислителя и других коррозионных сред без вреда.
Принцип работы: приводное устройство принимает активный магнитный соединение, чтобы быть непосредственно установлен на валу двигателя, полость Насоса полностью закрыта, и магнитное откатное колесо на валу насоса косвенно приводится, чтобы вращаться через магнитное соединение, структура которого компактна., Безопасный и энергосберегающий.
Прочная и прочная структура корпуса насоса: хотя контактная жидкая часть является фторопластиком, корпус насоса главным образом из металлического материала, так что корпус насоса может выдержать вес и механическое воздействие части трубопровода, и является прочным и долговечным.
Этот продукт широко используется в: химическая промышленность, производство кислоты и щелочей, плавление неferrous metals, процесс очистки автомобильного производства, разделение редких земель, пестициды, топливо, медицина, бумажное производство, гальваническое покрытие, радио и другие отрасли.
Рабочая температура:-20 ℃ -100 ℃
Характеристики дизайна
Водонепроницаемый дизайн: shaft joint аннулирован, и магнитное соединение используется для косвенного привода, что полностью устраняет проблему сушки и никогда не загрязняет сайт.
Потому что часть над текущим насосом состоит из "фторопластического сплава. Он может непрерывно транспортировать любую концентрацию кислоты, щелочи, сильного окислителя и других коррозионных сред без вреда.
Принцип работы: приводное устройство принимает активный магнитный соединение, чтобы быть непосредственно установлен на валу двигателя, полость Насоса полностью закрыта, и магнитное откатное колесо на валу насоса косвенно приводится, чтобы вращаться через магнитное соединение, структура которого компактна., Безопасный и энергосберегающий.
Прочная и прочная структура корпуса насоса: хотя контактная жидкая часть является фторопластиком, корпус насоса главным образом из металлического материала, так что корпус насоса может выдержать вес и механическое воздействие части трубопровода, и является прочным и долговечным.
поток | 6 m³/h |
Поднимать | 11 m |
эффективный | 43 % |
Marge de cavitation | 5 m |
Импортировать | 40 mm |
Экспорт | 40 mm |
Мощность двигателя | 0.55 kW |
Общее качество | 20 g |

Список деталей
Список деталей
Нет информации об аксессуарах
Смотреть и смотреть
Рейтинги и отзывы
The quality of the pump is very good, the operation is very stable, and the answer is very detailed when consulting before purchase. During the installation and use process, there are also specialized technical personnel to support, the overall feeling is very good, if you need it, you can consider moretec products.
Zayne, Mar 7 2022
|